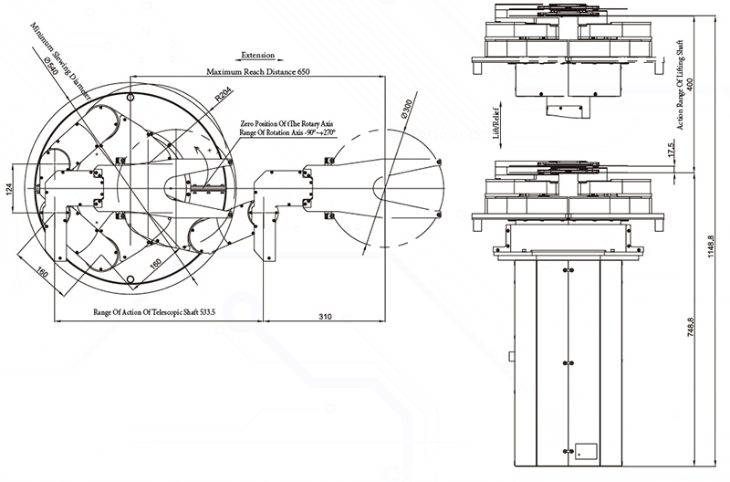
Atmospheric robots
Atmospheric robots are mainly used in the front-end modules of semiconductor process equipment or process equipment. As used in EFEM or atmospheric transport in process modules such as diffusion equipment, cleaning equipment, detection equipment, CMP equipment, etc.
Our atmospheric robots have the characteristics of high precision and stability, and can provide customized services based on customers' real needs.


